- Daewoo-doosan wheel loader DL, SD series, operation, service, parts catalog, schematics. Skid Steer Loader. Description: 2203000 Daewoo Wheel Loader DL Series.
- Browse our inventory of new and used DAEWOO Skid Steers For Sale near you at MachineryTrader.com. Models include 1760XL, 460 PLUS, and 2060XL.
- DOOSAN WHEEL LOADERS DL250-3 10001 AND UP SERVICE MANUAL. This is the COMPLETE official full service repair manual for the DOOSAN WHEEL LOADERS DL250-3 10001 AND UP. Professional work shop technicians use and trust this service manuals – now you can too!
- Doosan wheel loaders are built with solid construction, heavy-duty components and extended service intervals. And when you do need to complete routine maintenance, components are easy to access. It's no wonder Doosan wheel loaders are among the toughest and most dependable machines in.

Product Description

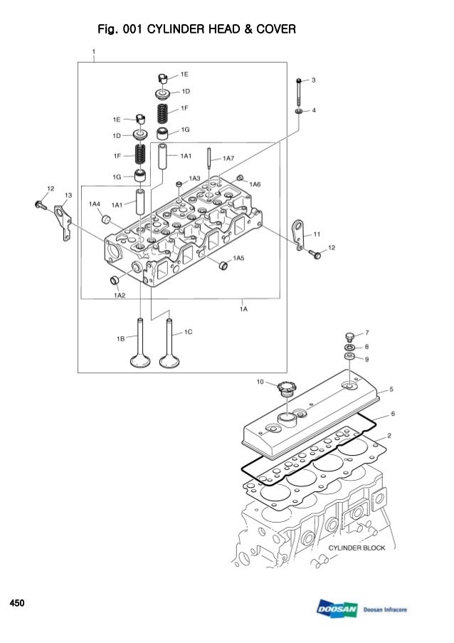
To your attention is presented set of schemeticks for Doosan 470 Plus Skid Steer Loader.
These schemes are an aid for planning and performing quality repairs of your skid steer loader and giving the service personnel information to obtain good overall knowledge on the skid steer loader. These schemes will also serve as a useful reference for other personnel involved in the service of the skid steer loader. Study and make sure that you understand the schemes and use it at every maintenance task you are going to accomplish. When using these schemes, always have the Operation and Maintenance Manual at hand for references, and be familiar with both manuals.
These diagrams come in PDF format. You can work with this set after installing Adobe PDF Reader. You can easily print the desired image that will help your work.
Set includes:
-Doosan 470 Plus Skid Steer Loader - Electrical scheme;
-Doosan 460 Plus Skid Steer Loader - Electrical scheme (450Plus/460Plus);
-Doosan 460 Plus Skid Steer Loader - Electrical scheme (450/460 STD Joystick);
-Doosan 460 Plus Skid Steer Loader - Hydraulic scheme (joystick system);
-Doosan 460 Plus Skid Steer Loader - Hydraulic scheme (high flow system);
-Doosan 470 Plus Skid Steer Loader - Hydraulic scheme.

Doosan Skid Steer

Doosan Daewoo Skid Steer Parts
Daewoo Doosan Mega 160 / 160TC Wheel Loader Service Repair Shop Manual. Daewoo Doosan MEGA 200 Wheel Loader Service Repair Shop Manual. Daewoo Doosan MEGA 200-V Wheel Loader Service Repair Shop Manual. Daewoo Doosan Mega 250-V Wheel Loader Service Repair Workshop Manual S/N 1001 thru 2000 (Tier I), 2001 and Up (Tier II).
